Instrukcja obsługi Satel RE-1K
Satel Bezpieczeństwo RE-1K
Przeczytaj poniżej 📖 instrukcję obsługi w języku polskim dla Satel RE-1K (4 stron) w kategorii Bezpieczeństwo. Ta instrukcja była pomocna dla 56 osób i została oceniona przez 4 użytkowników na średnio 4.1 gwiazdek
Strona 1/4

®
AFSTANDBEDIENING SET
RE-1K/RE-2K
re12k_nl 07/14
De RE-1K/RE-2K ontvanger stelt u in staat apparatuur op afstand te bedienen d.m.v.
handzenders. De RE-1K is een 1 kanaals ontvanger en de RE-2K een 2 kanaals
ontvanger. Beide afstandsbediening sets kunnen werken met maximaal 16
handzenders. De RE-1K/RE-2K ondersteunen alleen door SATEL-gefabriceerde
433MHz handzenders.
De ontwerpen zijn gebaseerd componenten van de Microchip Technologie Inc., welke
gebruik maken van de KEELOQ
®
code-hopping technologie voor het verzenden van
informatie tussen de zender en de ontvanger. Dit verzekerd zowel de veiligheid van
het gebruik ende veiligheid van storingssignalen afkomstig van andere apparatuur.
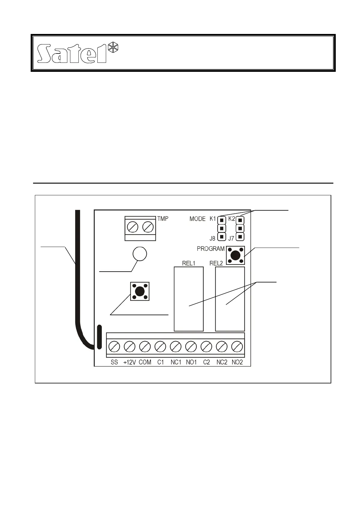
1 Beschrijving van de print
Figuur 1. Overzicht van de RE-1K / RE-2K ontvanger print.
Als er maar één relais is geïnstalleerd op de print, dan heeft u de RE-1K ontvanger,
de print heeft dan geen K2 jumper of 2
e
relais, deze zijn alleen voorhanden bij de
RE-2K versie.
Description of terminals:
SS– sirene sturingsuitgang (OC);
+12V– voedingsingang (direct voltage van 9V tot 16V);
COM– common (ground);
C1– common aansluiting, relais kanaal 1;
NC1– normally closed aansluiting, relais kanaal 1;
antenne
Sabotage contact
Jumper(s)
Programmeer
knop
relais
LED
Specyfikacje produktu
| Marka: | Satel |
| Kategoria: | Bezpieczeństwo |
| Model: | RE-1K |
Potrzebujesz pomocy?
Jeśli potrzebujesz pomocy z Satel RE-1K, zadaj pytanie poniżej, a inni użytkownicy Ci odpowiedzą
Instrukcje Bezpieczeństwo Satel
27 Września 2024
27 Września 2024
27 Września 2024
27 Września 2024
27 Września 2024
27 Września 2024
27 Września 2024
27 Września 2024
27 Września 2024
27 Września 2024
Instrukcje Bezpieczeństwo
Najnowsze instrukcje dla Bezpieczeństwo
19 Lutego 2025
15 Stycznia 2025
15 Stycznia 2025
15 Stycznia 2025
11 Stycznia 2025
11 Stycznia 2025
5 Października 2024
2 Października 2024
28 Września 2024
28 Września 2024